326-12-003
Can't find what you're looking for? Go to the Product Selector
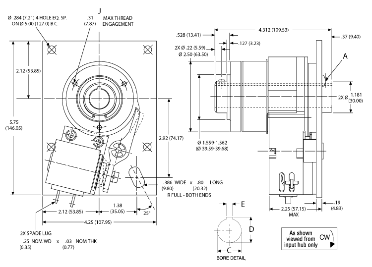
Clutch/Brake, CB6SUPERCWLESSPLATE.75B1STAO, 扭簧, Solenoid Operated, Long Life, Super CB-6, CW Rotation, 輪轂輸入, 0.7505 / 0.7525 英寸 Bore, 1 Stop, 較少的板, 500 in-lbs 靜態(tài)力矩, Anti-overrun Spring, 特別
- 特別
- CB離合器可在單相交流或直流脈沖下,轉速最高達到750 RPM(取決于尺寸)時在±½°范圍內(非累積)停止負載
- 特別
- 特別
