FSB-17B90-E06L

FSB-17B90-E06L
FSB-17B90-E06L

Brake, 摩擦, Power off Brake, FSB系列-17, 1.75 英寸 Outside Diameter, 0.3750 英寸 Bore, 90 Vdc, 3 in-lbs 靜態力矩, Long Hub


  • 彈簧組電磁斷電制動器提供了一種在斷電時停止和/或保持負載的安全、有效的方法。
  • 現場(電磁)組件通過法蘭被固定和防止旋轉,轉子組件被固定在軸上。在斷電時,固定和旋轉部件接合,從而停止和/或保持負載。
  • 當線圈通電時,旋轉部件脫開,從而使軸能夠自由旋轉。

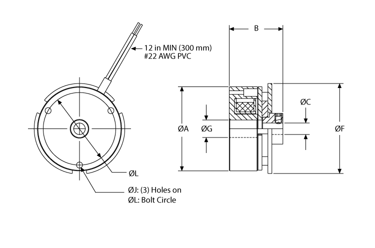
Dimensions

dimensions
尺寸價值
[A]1.75 英寸
[B]1.06 英寸
[C] Hub ID Ø, Min/Max0.3750 英寸 
[F]1.9 英寸
[G]0.415 英寸
[J]0.125 英寸
[J] 數量
[L]1.545 英寸

Specifications

Specifications價值
(CB) [A] ODLong Hub 
(CB) [A] ODHolding 
(CB) [A] ODBrake 
(CB) [A] OD17 
Power, Max7 W
Temperature Max130 °C
Voltage90 Vdc 
Weight0.6 lb
材質鋼  
拋光拋光 
轉動慣量0.000014 lb-in-sec²

Performance

Performance價值
Armature disengage30 ms
Armature Engage35 ms
靜態力矩3 in-lbs

Get Quote

*Please fill out the information below so we can best assist you: